Главная > Подшипники> Шариковые> Упорные>52244X

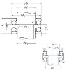
52244X — Осевой радиальный шарикоподшипник, импортное производство по ISO стандарту, размер 220x300x110 номер основного исполнения 52244.
Производитель: NSK.
X = Внешние размеры, соответствующие международным стандартам.
Цена по запросу
Цена на подшипник зависит от:
Габаритные размеры
Размеры и геометрические характеристики
Нагрузка и ресурс
Защита
Присоединительные размеры
Конструкция и исполнение
Другие размеры
Подшипник роликовый радиально-упорный 20-2097944 (ГПЗ-9)
Подшипник роликовый радиально-упорный 6-2097944 (ГПЗ-9)
Конический роликоподшипник 220KBE3001+L (NSK)
Конический роликоподшипник CRI-4410 (NTN)