Главная > Подшипники> Шариковые> Радиально-упорные>5219N

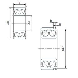
5219N — Радиально-упорный шарикоподшипник, импортное производство по ISO стандарту, размер 95x170x55 номер основного исполнения 5219.
Производитель: NACHI.
N = Канавка под стопорное кольцо в наружном кольце
Цена по запросу
Цена на подшипник зависит от:
| Обозначение | Модификация |
|---|---|
| 5219 | Основное конструктивное исполнение. |
| 5219G | G = Однорядный радиально-упорный шарикоподшипник для универсального парного монтажа. Два подшипника, установленные по 0-образной или Х-образной схеме, будут иметь определенный осевой зазор в домонтажном состоянии. |
| 5219A | A = внутренняя модификация конструкции. |
| 5219NR | Стопорное кольцо и проточка под него в наружном кольце подшипника. |
| 5219ZZ | ZZ = Два металлических экрана. |
| 5219AN | A = внутренняя модификация конструкции. |
| NJ5219 | Однорядный цилиндрический роликоподшипник. Наружное кольцо имеет два борта, наружное — один борт. |
| NU5219 | Однорядный цилиндрический роликоподшипник. Наружное кольцо подшипника имеет два борта, а внутреннее кольцо бортов не имеет. |
| 5219ANR | Стопорное кольцо и проточка под него в наружном кольце подшипника. |
| NUP5219 | Однорядный цилиндрический роликоподшипник. Наружное кольцо имеет два борта, внутреннее — один борт и одно свободное фланцевое кольцо. Основные размеры по DIN 5412-1, относится к подтипу фиксированные подшипники, разъемные, с сепаратором. |
| A 5219 WB | W = Без кольцевой канавки и смазочных отверстий в наружном кольце. B = Измененная внутрення конструкция или ее модификация при неизменных основных размерах. Как правило, значение буквы привязано к определенной серии подшипника. |
| 5219G PRB | R = Наружное кольцо с фланцем . |
Габаритные размеры
Размеры и геометрические характеристики
Нагрузка и ресурс
Защита
Присоединительные размеры
Конструкция и исполнение
Другие размеры
Подшипник шариковый двухрядный радиально-упорный 3219 (CX, ISO, KOYO, NKE, SKF)
Подшипник шариковый радиально-упорный 3056219 К1 (ГПЗ-23)
Подшипник шариковый радиально-упорный двухрядный 3056219 (ГПЗ-23)
Подшипник шариковый радиально-упорный 3056219 Л1 (ГПЗ-23)
Цилиндрический роликоподшипник 23219EK (NACHI)
Цилиндрический роликоподшипник 23219E (NACHI)