Главная > Подшипники> Шариковые> Радиально-упорные>5218AN

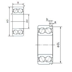
5218AN — Радиально-упорный шарикоподшипник, импортное производство по ISO стандарту, размер 90x160x52 номер основного исполнения 5218.
Производитель: NACHI.
N = Канавка под стопорное кольцо в наружном кольце
Цена по запросу
Цена на подшипник зависит от:
| Обозначение | Модификация |
|---|---|
| 5218 | Основное конструктивное исполнение. |
| 5218W | W = Без кольцевой канавки и смазочных отверстий в наружном кольце. |
| 5218A | A = внутренняя модификация конструкции. |
| 5218N | N = Канавка под стопорное кольцо в наружном кольце |
| NJ5218 | Однорядный цилиндрический роликоподшипник. Наружное кольцо имеет два борта, наружное — один борт. |
| NU5218 | Однорядный цилиндрический роликоподшипник. Наружное кольцо подшипника имеет два борта, а внутреннее кольцо бортов не имеет. |
| 5218NR | Стопорное кольцо и проточка под него в наружном кольце подшипника. |
| 5218WD | W = Без кольцевой канавки и смазочных отверстий в наружном кольце. |
| NUP5218 | Однорядный цилиндрический роликоподшипник. Наружное кольцо имеет два борта, внутреннее — один борт и одно свободное фланцевое кольцо. Основные размеры по DIN 5412-1, относится к подтипу фиксированные подшипники, разъемные, с сепаратором. |
| 5218ANR | Стопорное кольцо и проточка под него в наружном кольце подшипника. |
| 5218-2RS | Резиновые уплотнения с каждой стороны подшипника. |
| A 5218 WB | W = Без кольцевой канавки и смазочных отверстий в наружном кольце. B = Измененная внутрення конструкция или ее модификация при неизменных основных размерах. Как правило, значение буквы привязано к определенной серии подшипника. |
Габаритные размеры
Размеры и геометрические характеристики
Нагрузка и ресурс
Защита
Присоединительные размеры
Конструкция и исполнение
Другие размеры
Подшипник шариковый двухрядный радиально-упорный 3218 (CX, FAG, ISO, KOYO, NKE)
Подшипник роликовый радиальный с витыми роликами 3005218
Подшипник роликовый самоустанавливающийся 23218 E1A.K.M (FAG, SKF)
Подшипник роликовый радиальный сферический двухрядный с цилиндрическим отверстием внутреннего кольца 3053218
Подшипник роликовый радиальный сферический двухрядный с бортиками на внутреннем кольце с коническим отверстием внутреннего кольца, конусностью 1:12 3113218
Подшипник роликовый радиальный сферический двухрядный с коническим отверстием внутреннего кольца, конусностью 1:12 3153218