Главная > Подшипники> Шариковые> Радиально-упорные>5216-2RS

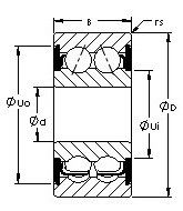
5216-2RS — импортное производство по ISO стандарту, размер 80x140x44 номер основного исполнения 5216.
Производитель: AST.
Резиновые уплотнения с каждой стороны подшипника.
Цена по запросу
Цена на подшипник зависит от:
| Обозначение | Модификация |
|---|---|
| 5216 | Основное конструктивное исполнение. |
| 5216N | N = Канавка под стопорное кольцо в наружном кольце |
| 5216G | G = Однорядный радиально-упорный шарикоподшипник для универсального парного монтажа. Два подшипника, установленные по 0-образной или Х-образной схеме, будут иметь определенный осевой зазор в домонтажном состоянии. |
| 5216A | A = внутренняя модификация конструкции. |
| 5216S | S = смазочный паз и три отверстия в наружном кольце подшипника. |
| 5216ZZ | ZZ = Два металлических экрана. |
| NJ5216 | Однорядный цилиндрический роликоподшипник. Наружное кольцо имеет два борта, наружное — один борт. |
| NU5216 | Однорядный цилиндрический роликоподшипник. Наружное кольцо подшипника имеет два борта, а внутреннее кольцо бортов не имеет. |
| 5216DD | DD = резиновые уплотнения на каждой стороне подшипника. |
| 5216AN | A = внутренняя модификация конструкции. |
| 5216NR | Стопорное кольцо и проточка под него в наружном кольце подшипника. |
| NUP5216 | Однорядный цилиндрический роликоподшипник. Наружное кольцо имеет два борта, внутреннее — один борт и одно свободное фланцевое кольцо. Основные размеры по DIN 5412-1, относится к подтипу фиксированные подшипники, разъемные, с сепаратором. |
| 5216ANR | Стопорное кольцо и проточка под него в наружном кольце подшипника. |
| A 5216 WB | W = Без кольцевой канавки и смазочных отверстий в наружном кольце. B = Измененная внутрення конструкция или ее модификация при неизменных основных размерах. Как правило, значение буквы привязано к определенной серии подшипника. |
| 5216G PRB | R = Наружное кольцо с фланцем . |
| 5216DD PRB | DD = резиновые уплотнения на каждой стороне подшипника. |
Габаритные размеры
Размеры и геометрические характеристики
Нагрузка и ресурс
Защита
Присоединительные размеры
Конструкция и исполнение
Прочие характеристики
Подшипник шариковый упорный однонаправленный 51316 (AST, CRAFT, CX, FAG, FBJ)
Подшипник шариковый двухрядный радиально-упорный 3216 (CRAFT, CX, INA, ISO, KOYO)
Подшипник шариковый радиально-упорный двухрядный 3056216
Подшипник шариковый двухрядный радиально-упорный 3216 B.TVH (FAG, INA)
Подшипник шариковый двухрядный радиально-упорный 3216 B.TVH.C3 (INA)
Подшипник шариковый двухрядный радиально-упорный 3216 2Z (INA)