Главная > Подшипники> Шариковые> Радиально-упорные>5215ZZ

5215ZZ — Подшипник шариковый двухрядный радиально-упорный, импортное производство по ISO стандарту, размер 75x130x41 номер основного исполнения 5215.
Производится брендами: AST, FBJ, NACHI.
ZZ = Два металлических экрана.
Цена по запросу
Цена на подшипник зависит от:
| Обозначение | Модификация |
|---|---|
| 5215 | Основное конструктивное исполнение. |
| 5215G | G = Однорядный радиально-упорный шарикоподшипник для универсального парного монтажа. Два подшипника, установленные по 0-образной или Х-образной схеме, будут иметь определенный осевой зазор в домонтажном состоянии. |
| 5215A | A = внутренняя модификация конструкции. |
| 5215K | К = Коническая посадка, конусность 1:12. |
| 5215N | N = Канавка под стопорное кольцо в наружном кольце |
| 5215Z | Металлический экран с одной стороны. |
| 5215S | S = смазочный паз и три отверстия в наружном кольце подшипника. |
| NJ5215 | Однорядный цилиндрический роликоподшипник. Наружное кольцо имеет два борта, наружное — один борт. |
| NU5215 | Однорядный цилиндрический роликоподшипник. Наружное кольцо подшипника имеет два борта, а внутреннее кольцо бортов не имеет. |
| 5215AN | A = внутренняя модификация конструкции. |
| 5215AZ | A Z = A = Модификация внутренней стороны. Z = слой (щит) из прессованной листовой стали на одной стороне подшипника. |
| 5215NR | Стопорное кольцо и проточка под него в наружном кольце подшипника. |
| NUP5215 | Однорядный цилиндрический роликоподшипник. Наружное кольцо имеет два борта, внутреннее — один борт и одно свободное фланцевое кольцо. Основные размеры по DIN 5412-1, относится к подтипу фиксированные подшипники, разъемные, с сепаратором. |
| 5215AZZ | A = внутренняя модификация конструкции. ZZ = Закрыт с двух сторон металлическими шайбами. |
| 5215ANR | Стопорное кольцо и проточка под него в наружном кольце подшипника. |
| 5215-2RS | Резиновые уплотнения с каждой стороны подшипника. |
| A 5215 WB | W = Без кольцевой канавки и смазочных отверстий в наружном кольце. B = Измененная внутрення конструкция или ее модификация при неизменных основных размерах. Как правило, значение буквы привязано к определенной серии подшипника. |
| 5215G PRB | R = Наружное кольцо с фланцем . |
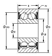
Габаритные размеры
Размеры и геометрические характеристики
Нагрузка и ресурс
Защита
Присоединительные размеры
Конструкция и исполнение
Прочие характеристики
Однорядный конический роликовый подшипник 33215 (CRAFT, CYSD, FAG, FBJ, ISB)
Подшипник шариковый двухрядный радиально-упорный 3215 (CRAFT, CX, ISO, KOYO, SKF)
Подшипник шариковый радиально-упорный двухрядный 3056215 (ГПЗ-1)
Однорядный конический роликовый подшипник 33215 J (FAG)
Подшипник шариковый двухрядный радиально-упорный 3215 B.TVH.C3 (SKF)