Главная > Подшипники> Шариковые> Радиально-упорные>5214N

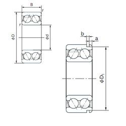
5214N — Радиально-упорный шарикоподшипник, импортное производство по ISO стандарту, размер 70x125x39 номер основного исполнения 5214.
Производитель: NACHI.
N = Канавка под стопорное кольцо в наружном кольце
Цена от:2 304 р.
Цена на подшипник зависит от:
| Обозначение | Модификация |
|---|---|
| 5214 | Основное конструктивное исполнение. |
| 5214Z | Металлический экран с одной стороны. |
| 5214K | К = Коническая посадка, конусность 1:12. |
| 5214A | A = внутренняя модификация конструкции. |
| 5214S | S = смазочный паз и три отверстия в наружном кольце подшипника. |
| NJ5214 | Однорядный цилиндрический роликоподшипник. Наружное кольцо имеет два борта, наружное — один борт. |
| NU5214 | Однорядный цилиндрический роликоподшипник. Наружное кольцо подшипника имеет два борта, а внутреннее кольцо бортов не имеет. |
| 5214WD | W = Без кольцевой канавки и смазочных отверстий в наружном кольце. |
| 5214AZ | A Z = A = Модификация внутренней стороны. Z = слой (щит) из прессованной листовой стали на одной стороне подшипника. |
| 5214ZZ | ZZ = Два металлических экрана. |
| 5214NR | Стопорное кольцо и проточка под него в наружном кольце подшипника. |
| 5214AN | A = внутренняя модификация конструкции. |
| NUP5214 | Однорядный цилиндрический роликоподшипник. Наружное кольцо имеет два борта, внутреннее — один борт и одно свободное фланцевое кольцо. Основные размеры по DIN 5412-1, относится к подтипу фиксированные подшипники, разъемные, с сепаратором. |
| 5214AZZ | A = внутренняя модификация конструкции. ZZ = Закрыт с двух сторон металлическими шайбами. |
| 5214ANR | Стопорное кольцо и проточка под него в наружном кольце подшипника. |
| 5214-2RS | Резиновые уплотнения с каждой стороны подшипника. |
| A 5214 WB | W = Без кольцевой канавки и смазочных отверстий в наружном кольце. B = Измененная внутрення конструкция или ее модификация при неизменных основных размерах. Как правило, значение буквы привязано к определенной серии подшипника. |
| 5214EEG15 | E = Увеличенная грузоподъемность. G15 = Формованная литьевая клетка из армированного стекловолокном полиамида 6,6, с вращающимся элементом по центру. |
| 5214ZZG15 | G15 = Формованная литьевая клетка из армированного стекловолокном полиамида 6,6, с вращающимся элементом по центру. |
| 5214WD PRB | R = Наружное кольцо с фланцем . |
| 5214NRZZG15 | G15 = Формованная литьевая клетка из армированного стекловолокном полиамида 6,6, с вращающимся элементом по центру. |
Габаритные размеры
Размеры и геометрические характеристики
Нагрузка и ресурс
Защита
Присоединительные размеры
Конструкция и исполнение
Другие размеры
Подшипник шариковый двухрядный радиально-упорный 3214 (CRAFT, CX, ISO, KOYO, SKF)
Подшипник шариковый радиально-упорный двухрядный 3056214
Подшипник шариковый радиально-упорный двухрядный 3056214 Л
Подшипник шариковый радиально-упорный двухрядный 3056214 Е
Подшипник шариковый радиально-упорный 3056214 К1 (ГПЗ-23)
Подшипник шариковый радиально-упорный 8-3056214 Л (ГПЗ-1)