Главная > Подшипники> Шариковые> Радиально-упорные>5213AN

5213AN — Радиально-упорный шарикоподшипник, импортное производство по ISO стандарту, размер 65x120x38 номер основного исполнения 5213.
Производитель: NACHI.
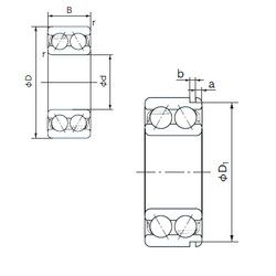
N = Канавка под стопорное кольцо в наружном кольце
Цена по запросу
Цена на подшипник зависит от:
| Обозначение | Модификация |
|---|---|
| 5213 | Основное конструктивное исполнение. |
| 5213Z | Металлический экран с одной стороны. |
| 5213S | S = смазочный паз и три отверстия в наружном кольце подшипника. |
| 5213N | N = Канавка под стопорное кольцо в наружном кольце |
| 5213A | A = внутренняя модификация конструкции. |
| 5213K | К = Коническая посадка, конусность 1:12. |
| 5213ZZ | ZZ = Два металлических экрана. |
| 5213WD | W = Без кольцевой канавки и смазочных отверстий в наружном кольце. |
| NJ5213 | Однорядный цилиндрический роликоподшипник. Наружное кольцо имеет два борта, наружное — один борт. |
| NU5213 | Однорядный цилиндрический роликоподшипник. Наружное кольцо подшипника имеет два борта, а внутреннее кольцо бортов не имеет. |
| 5213AZ | A Z = A = Модификация внутренней стороны. Z = слой (щит) из прессованной листовой стали на одной стороне подшипника. |
| 5213NR | Стопорное кольцо и проточка под него в наружном кольце подшипника. |
| NUP5213 | Однорядный цилиндрический роликоподшипник. Наружное кольцо имеет два борта, внутреннее — один борт и одно свободное фланцевое кольцо. Основные размеры по DIN 5412-1, относится к подтипу фиксированные подшипники, разъемные, с сепаратором. |
| 5213ANR | Стопорное кольцо и проточка под него в наружном кольце подшипника. |
| 5213AZZ | A = внутренняя модификация конструкции. ZZ = Закрыт с двух сторон металлическими шайбами. |
| 5213 2RS | Резиновые уплотнения с каждой стороны подшипника. |
| 5213ZZG15 | G15 = Формованная литьевая клетка из армированного стекловолокном полиамида 6,6, с вращающимся элементом по центру. |
| A 5213 WB | W = Без кольцевой канавки и смазочных отверстий в наружном кольце. B = Измененная внутрення конструкция или ее модификация при неизменных основных размерах. Как правило, значение буквы привязано к определенной серии подшипника. |
| 5213EEG15 | E = Увеличенная грузоподъемность. G15 = Формованная литьевая клетка из армированного стекловолокном полиамида 6,6, с вращающимся элементом по центру. |
| 5213NRZZG15 | G15 = Формованная литьевая клетка из армированного стекловолокном полиамида 6,6, с вращающимся элементом по центру. |
Габаритные размеры
Размеры и геометрические характеристики
Нагрузка и ресурс
Защита
Присоединительные размеры
Конструкция и исполнение
Другие размеры
Подшипник шариковый двухрядный радиально-упорный 3213 (CRAFT, CX, CYSD, ISO, KOYO)
Подшипник шариковый двухрядный радиально-упорный 3213 J (SKF)
Подшипник шариковый двухрядный радиально-упорный 3213 A-2RS1.C3MT33 (SKF)
Подшипник шариковый двухрядный радиально-упорный 3213 A-2Z.C3MT33 (SKF)
Подшипник роликовый радиальный 3222213