Главная > Подшипники> Шариковые> Радиально-упорные>5212

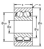
5212 — Подшипник шариковый двухрядный радиально-упорный, импортное производство по ISO стандарту, размер 60x110x36 основное исполнение.
Производится брендами: AST, CYSD, FBJ, KOYO, NACHI, NSK.
Цена от:1 737 р.
Цена на подшипник зависит от:
| Обозначение | Модификация |
|---|---|
| 5212W | W = Без кольцевой канавки и смазочных отверстий в наружном кольце. |
| 5212A | A = внутренняя модификация конструкции. |
| 5212Z | 2Z = Металлические шайбы с каждой стороны подшипника. |
| 5212S | S = смазочный паз и три отверстия в наружном кольце подшипника. |
| 5212K | К = Коническая посадка, конусность 1:12. |
| 5212N | N = Канавка под стопорное кольцо в наружном кольце |
| NJ5212 | Однорядный цилиндрический роликоподшипник. Наружное кольцо имеет два борта, наружное — один борт. |
| NU5212 | Однорядный цилиндрический роликоподшипник. Наружное кольцо подшипника имеет два борта, а внутреннее кольцо бортов не имеет. |
| 5212KG | К = Коническая посадка, конусность 1:12. |
| 5212NR | Стопорное кольцо и проточка под него в наружном кольце подшипника. |
| 5212ZZ | 2Z = Металлические шайбы с каждой стороны подшипника. |
| 5212AZ | A Z = A = Модификация внутренней стороны. Z = слой (щит) из прессованной листовой стали на одной стороне подшипника. |
| 5212AN | A = внутренняя модификация конструкции. |
| 5212WG | W = Без кольцевой канавки и смазочных отверстий в наружном кольце. |
| 5212WD | W = Без кольцевой канавки и смазочных отверстий в наружном кольце. |
| NUP5212 | Однорядный цилиндрический роликоподшипник. Наружное кольцо имеет два борта, внутреннее — один борт и одно свободное фланцевое кольцо. Основные размеры по DIN 5412-1, относится к подтипу фиксированные подшипники, разъемные, с сепаратором. |
| 5212ANR | Стопорное кольцо и проточка под него в наружном кольце подшипника. |
| 5212AZZ | A = внутренняя модификация конструкции. ZZ = Закрыт с двух сторон металлическими шайбами. |
| 5212-2RS | Резиновые уплотнения с каждой стороны подшипника. |
| A 5212 WB | W = Без кольцевой канавки и смазочных отверстий в наружном кольце. B = Измененная внутрення конструкция или ее модификация при неизменных основных размерах. Как правило, значение буквы привязано к определенной серии подшипника. |
| 5212EEG15 | E = Увеличенная грузоподъемность. G15 = Формованная литьевая клетка из армированного стекловолокном полиамида 6,6, с вращающимся элементом по центру. |
| 5212ZZG15 | G15 = Формованная литьевая клетка из армированного стекловолокном полиамида 6,6, с вращающимся элементом по центру. |
| 5212NRZZG15 | G15 = Формованная литьевая клетка из армированного стекловолокном полиамида 6,6, с вращающимся элементом по центру. |
Габаритные размеры
Размеры и геометрические характеристики
Нагрузка и ресурс
Защита
Присоединительные размеры
Конструкция и исполнение
Прочие характеристики
Подшипник шариковый двухрядный радиально-упорный 3212 (CRAFT, CX, CYSD, ISO, KOYO)
Подшипник шариковый радиально-упорный двухрядный 3056212 (ГПЗ-23)
Подшипник шариковый радиально-упорный двухрядный 3056212.2RS
Подшипник шариковый радиально-упорный двухрядный 6-3056212 Ш
Подшипник шариковый радиально-упорный двухрядный 6-3056212
Подшипник однорядный шариковый радиальный 63212 ZZ (CX, ISO)