Главная > Подшипники> Шариковые> Радиально-упорные>5211AN

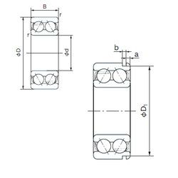
5211AN — Радиально-упорный шарикоподшипник, импортное производство по ISO стандарту, размер 55x100x33 номер основного исполнения 5211.
Производитель: NACHI.
N = Канавка под стопорное кольцо в наружном кольце
Цена от:1 622 р.
Цена на подшипник зависит от:
| Обозначение | Модификация |
|---|---|
| 5211 | Основное конструктивное исполнение. |
| 5211S | S = смазочный паз и три отверстия в наружном кольце подшипника. |
| 5211Z | Металлический экран с одной стороны. |
| 5211N | N = Канавка под стопорное кольцо в наружном кольце |
| 5211K | К = Коническая посадка, конусность 1:12. |
| 5211W | W = Без кольцевой канавки и смазочных отверстий в наружном кольце. |
| 5211A | A = внутренняя модификация конструкции. |
| NJ5211 | Однорядный цилиндрический роликоподшипник. Наружное кольцо имеет два борта, наружное — один борт. |
| NU5211 | Однорядный цилиндрический роликоподшипник. Наружное кольцо подшипника имеет два борта, а внутреннее кольцо бортов не имеет. |
| 5211KG | К = Коническая посадка, конусность 1:12. |
| 5211ZZ | ZZ = Два металлических экрана. |
| 5211AZ | A Z = A = Модификация внутренней стороны. Z = слой (щит) из прессованной листовой стали на одной стороне подшипника. |
| 5211NR | Стопорное кольцо и проточка под него в наружном кольце подшипника. |
| 5211WG | W = Без кольцевой канавки и смазочных отверстий в наружном кольце. |
| 5211WD | W = Без кольцевой канавки и смазочных отверстий в наружном кольце. |
| NUP5211 | Однорядный цилиндрический роликоподшипник. Наружное кольцо имеет два борта, внутреннее — один борт и одно свободное фланцевое кольцо. Основные размеры по DIN 5412-1, относится к подтипу фиксированные подшипники, разъемные, с сепаратором. |
| 5211ANR | Стопорное кольцо и проточка под него в наружном кольце подшипника. |
| 5211AZZ | A = внутренняя модификация конструкции. ZZ = Закрыт с двух сторон металлическими шайбами. |
| 5211 2RS | Резиновые уплотнения с каждой стороны подшипника. |
| A 5211 WB | W = Без кольцевой канавки и смазочных отверстий в наружном кольце. B = Измененная внутрення конструкция или ее модификация при неизменных основных размерах. Как правило, значение буквы привязано к определенной серии подшипника. |
| 5211EEG15 | E = Увеличенная грузоподъемность. G15 = Формованная литьевая клетка из армированного стекловолокном полиамида 6,6, с вращающимся элементом по центру. |
| 5211ZZG15 | G15 = Формованная литьевая клетка из армированного стекловолокном полиамида 6,6, с вращающимся элементом по центру. |
| 5211NRZZG15 | G15 = Формованная литьевая клетка из армированного стекловолокном полиамида 6,6, с вращающимся элементом по центру. |
Габаритные размеры
Размеры и геометрические характеристики
Нагрузка и ресурс
Защита
Присоединительные размеры
Конструкция и исполнение
Другие размеры
Подшипник шариковый двухрядный радиально-упорный 3211 (CRAFT, CX, CYSD, ISO, KOYO)
Подшипник шариковый радиально-упорный двухрядный 3056211 (ГПЗ-23)
Подшипник шариковый двухрядный радиально-упорный 3211 J (SKF)
Подшипник шариковый двухрядный радиально-упорный 3211 ATN9 (ISB, SKF)
Подшипник шариковый двухрядный радиально-упорный 3211 B.2RS.TV (SKF)