Главная > Подшипники> Шариковые> Радиально-упорные>5210N

5210N — Радиально-упорный шарикоподшипник, импортное производство по ISO стандарту, размер 50x90x30 номер основного исполнения 5210.
Производитель: NACHI.
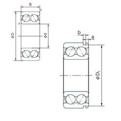
N = Канавка под стопорное кольцо в наружном кольце
Цена от:1 308 р.
Цена на подшипник зависит от:
| Обозначение | Модификация |
|---|---|
| 5210 | Основное конструктивное исполнение. |
| 5210S | S = смазочный паз и три отверстия в наружном кольце подшипника. |
| 5210W | W = Без кольцевой канавки и смазочных отверстий в наружном кольце. |
| S5210 | |
| 5210A | A = внутренняя модификация конструкции. |
| 5210K | К = Коническая посадка, конусность 1:12. |
| 5210Z | Металлический экран с одной стороны. |
| 5210ZZ | ZZ = Два металлических экрана. |
| 5210AN | A = внутренняя модификация конструкции. |
| 5210WD | W = Без кольцевой канавки и смазочных отверстий в наружном кольце. |
| 5210KG | К = Коническая посадка, конусность 1:12. |
| 5210NR | Стопорное кольцо и проточка под него в наружном кольце подшипника. |
| 5210NS | S = смазочный паз и три отверстия в наружном кольце подшипника. |
| 5210WG | W = Без кольцевой канавки и смазочных отверстий в наружном кольце. |
| NJ5210 | Однорядный цилиндрический роликоподшипник. Наружное кольцо имеет два борта, наружное — один борт. |
| NU5210 | Однорядный цилиндрический роликоподшипник. Наружное кольцо подшипника имеет два борта, а внутреннее кольцо бортов не имеет. |
| 5210AZ | A Z = A = Модификация внутренней стороны. Z = слой (щит) из прессованной листовой стали на одной стороне подшипника. |
| 5210ANS | S = смазочный паз и три отверстия в наружном кольце подшипника. |
| NUP5210 | Однорядный цилиндрический роликоподшипник. Наружное кольцо имеет два борта, внутреннее — один борт и одно свободное фланцевое кольцо. Основные размеры по DIN 5412-1, относится к подтипу фиксированные подшипники, разъемные, с сепаратором. |
| 5210AZZ | A = внутренняя модификация конструкции. ZZ = Закрыт с двух сторон металлическими шайбами. |
| 5210ANR | Стопорное кольцо и проточка под него в наружном кольце подшипника. |
| 5210-2NS | S = смазочный паз и три отверстия в наружном кольце подшипника. |
| 5210-2RS | Резиновые уплотнения с каждой стороны подшипника. |
| 5210ZZG15 | G15 = Формованная литьевая клетка из армированного стекловолокном полиамида 6,6, с вращающимся элементом по центру. |
| S5210-2RS | Резиновые уплотнения с каждой стороны подшипника. |
| A 5210 WB | W = Без кольцевой канавки и смазочных отверстий в наружном кольце. B = Измененная внутрення конструкция или ее модификация при неизменных основных размерах. Как правило, значение буквы привязано к определенной серии подшипника. |
| 5210A-2NS | S = смазочный паз и три отверстия в наружном кольце подшипника. |
| 5210EEG15 | E = Увеличенная грузоподъемность. G15 = Формованная литьевая клетка из армированного стекловолокном полиамида 6,6, с вращающимся элементом по центру. |
| 5210-2RS C3 | 2RS = Резиновые пыле-влагозащитные уплотнения с каждой стороны подшипника. C3 = Внутренний Зазор Больше Обычного. |
| 5210NRZZG15 | G15 = Формованная литьевая клетка из армированного стекловолокном полиамида 6,6, с вращающимся элементом по центру. |
Габаритные размеры
Размеры и геометрические характеристики
Нагрузка и ресурс
Защита
Присоединительные размеры
Конструкция и исполнение
Другие размеры
Подшипник шариковый двухрядный радиально-упорный 3210 (CRAFT, CX, CYSD, ISO, KOYO)
Подшипник для корпуса YET 210 (SKF)
Подшипник шариковый двухрядный радиально-упорный 3210BTNGC3 (SKF)
Подшипник шариковый двухрядный радиально-упорный 3210BTVH (FAG, SKF)
Подшипник шариковый двухрядный радиально-упорный 3210ATN9.C3 (SKF)