Главная > Подшипники> Шариковые> Радиально-упорные>5209N

5209N — Радиально-упорный шарикоподшипник, импортное производство по ISO стандарту, размер 45x85x30 номер основного исполнения 5209.
Производитель: NACHI.
N = Канавка под стопорное кольцо в наружном кольце
Цена от:1 514 р.
Цена на подшипник зависит от:
| Обозначение | Модификация |
|---|---|
| 5209Z | Металлический экран с одной стороны. |
| S5209 | |
| 5209A | A = внутренняя модификация конструкции. |
| 5209K | К = Коническая посадка, конусность 1:12. |
| 5209W | W = Без кольцевой канавки и смазочных отверстий в наружном кольце. |
| 5209S | S = смазочный паз и три отверстия в наружном кольце подшипника. |
| 5209NR | Стопорное кольцо и проточка под него в наружном кольце подшипника. |
| 5209KG | К = Коническая посадка, конусность 1:12. |
| 5209NS | S = смазочный паз и три отверстия в наружном кольце подшипника. |
| 5209AZ | A Z = A = Модификация внутренней стороны. Z = слой (щит) из прессованной листовой стали на одной стороне подшипника. |
| NJ5209 | Однорядный цилиндрический роликоподшипник. Наружное кольцо имеет два борта, наружное — один борт. |
| NU5209 | Однорядный цилиндрический роликоподшипник. Наружное кольцо подшипника имеет два борта, а внутреннее кольцо бортов не имеет. |
| 5209AN | A = внутренняя модификация конструкции. |
| 5209WD | W = Без кольцевой канавки и смазочных отверстий в наружном кольце. |
| 5209WG | W = Без кольцевой канавки и смазочных отверстий в наружном кольце. |
| 5209ZZ | ZZ = Два металлических экрана. |
| 5209AZZ | A = внутренняя модификация конструкции. ZZ = Закрыт с двух сторон металлическими шайбами. |
| 5209ANS | S = смазочный паз и три отверстия в наружном кольце подшипника. |
| 5209ANR | Стопорное кольцо и проточка под него в наружном кольце подшипника. |
| NUP5209 | Однорядный цилиндрический роликоподшипник. Наружное кольцо имеет два борта, внутреннее — один борт и одно свободное фланцевое кольцо. Основные размеры по DIN 5412-1, относится к подтипу фиксированные подшипники, разъемные, с сепаратором. |
| 5209-2RS | Резиновые уплотнения с каждой стороны подшипника. |
| 5209-2NS | S = смазочный паз и три отверстия в наружном кольце подшипника. |
| 5209A-2NS | S = смазочный паз и три отверстия в наружном кольце подшипника. |
| 5209EEG15 | E = Увеличенная грузоподъемность. G15 = Формованная литьевая клетка из армированного стекловолокном полиамида 6,6, с вращающимся элементом по центру. |
| S5209-2RS | Резиновые уплотнения с каждой стороны подшипника. |
| A 5209 WB | W = Без кольцевой канавки и смазочных отверстий в наружном кольце. B = Измененная внутрення конструкция или ее модификация при неизменных основных размерах. Как правило, значение буквы привязано к определенной серии подшипника. |
| 5209ZZG15 | G15 = Формованная литьевая клетка из армированного стекловолокном полиамида 6,6, с вращающимся элементом по центру. |
| 5209-2RS C3 | 2RS = Резиновые пыле-влагозащитные уплотнения с каждой стороны подшипника. C3 = Внутренний Зазор Больше Обычного. |
| 5209NRZZG15 | G15 = Формованная литьевая клетка из армированного стекловолокном полиамида 6,6, с вращающимся элементом по центру. |
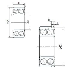
Габаритные размеры
Размеры и геометрические характеристики
Нагрузка и ресурс
Защита
Присоединительные размеры
Конструкция и исполнение
Другие размеры
Подшипник шариковый двухрядный радиально-упорный 3209 (CRAFT, CX, CYSD, ISO, KOYO)
Подшипник для корпуса YET 209 (SKF)
Подшипник шариковый радиально-упорный двухрядный 3056209 (ГПЗ-23)
Подшипник шариковый двухрядный радиально-упорный 3209 B2RSRTNG (NSK)
Подшипник шариковый двухрядный радиально-упорный 3209 BTNGC3 (NSK)
Подшипник шариковый двухрядный радиально-упорный 3209 A-2RS1TN9.MT33 (NSK)