Главная > Подшипники> Шариковые> Радиально-упорные>5208AN

5208AN — Радиально-упорный шарикоподшипник, импортное производство по ISO стандарту, размер 40x80x30 номер основного исполнения 5208.
Производитель: NACHI.
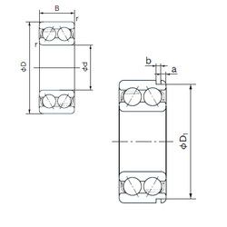
N = Канавка под стопорное кольцо в наружном кольце
Цена от:1 439 р.
Цена на подшипник зависит от:
| Обозначение | Модификация |
|---|---|
| 5208W | W = Без кольцевой канавки и смазочных отверстий в наружном кольце. |
| 5208Z | Металлический экран с одной стороны. |
| 5208S | S = смазочный паз и три отверстия в наружном кольце подшипника. |
| 5208K | К = Коническая посадка, конусность 1:12. |
| 5208A | A = внутренняя модификация конструкции. |
| S5208 | |
| 5208N | N = Канавка под стопорное кольцо в наружном кольце |
| 5208NS | S = смазочный паз и три отверстия в наружном кольце подшипника. |
| 5208AZ | A Z = A = Модификация внутренней стороны. Z = слой (щит) из прессованной листовой стали на одной стороне подшипника. |
| 5208WD | W = Без кольцевой канавки и смазочных отверстий в наружном кольце. |
| NJ5208 | Однорядный цилиндрический роликоподшипник. Наружное кольцо имеет два борта, наружное — один борт. |
| NU5208 | Однорядный цилиндрический роликоподшипник. Наружное кольцо подшипника имеет два борта, а внутреннее кольцо бортов не имеет. |
| 5208NR | Стопорное кольцо и проточка под него в наружном кольце подшипника. |
| 5208ZZ | ZZ = Два металлических экрана. |
| 5208ANS | S = смазочный паз и три отверстия в наружном кольце подшипника. |
| 5208ANR | Стопорное кольцо и проточка под него в наружном кольце подшипника. |
| NUP5208 | Однорядный цилиндрический роликоподшипник. Наружное кольцо имеет два борта, внутреннее — один борт и одно свободное фланцевое кольцо. Основные размеры по DIN 5412-1, относится к подтипу фиксированные подшипники, разъемные, с сепаратором. |
| 5208AZZ | A = внутренняя модификация конструкции. ZZ = Закрыт с двух сторон металлическими шайбами. |
| 5208SCZZ | ZZ = Два металлических экрана. |
| 5208-2NS | S = смазочный паз и три отверстия в наружном кольце подшипника. |
| 5208-2RS | Резиновые уплотнения с каждой стороны подшипника. |
| 5208EEG15 | E = Увеличенная грузоподъемность. G15 = Формованная литьевая клетка из армированного стекловолокном полиамида 6,6, с вращающимся элементом по центру. |
| 5208SCLLM | LL (Сегментное уплотнение, код 2RU) = Лабиринтные уплотнения на обеих сторонах (Уплотнение L = типа = все части уплотнения L = типа покрыты цинком на всех сторонах для улучшения защиты от коррозии = без трения уплотнения). |
| 5208ZZG15 | G15 = Формованная литьевая клетка из армированного стекловолокном полиамида 6,6, с вращающимся элементом по центру. |
| S5208-2RS | Резиновые уплотнения с каждой стороны подшипника. |
| A 5208 WB | W = Без кольцевой канавки и смазочных отверстий в наружном кольце. B = Измененная внутрення конструкция или ее модификация при неизменных основных размерах. Как правило, значение буквы привязано к определенной серии подшипника. |
| 5208SCLLD | LL (Сегментное уплотнение, код 2RU) = Лабиринтные уплотнения на обеих сторонах (Уплотнение L = типа = все части уплотнения L = типа покрыты цинком на всех сторонах для улучшения защиты от коррозии = без трения уплотнения). |
| 5208A-2NS | S = смазочный паз и три отверстия в наружном кольце подшипника. |
| 5208NRZZG15 | G15 = Формованная литьевая клетка из армированного стекловолокном полиамида 6,6, с вращающимся элементом по центру. |
| 5208-2RS C3 | 2RS = Резиновые пыле-влагозащитные уплотнения с каждой стороны подшипника. C3 = Внутренний Зазор Больше Обычного. |
Габаритные размеры
Размеры и геометрические характеристики
Нагрузка и ресурс
Защита
Присоединительные размеры
Конструкция и исполнение
Другие размеры
Подшипник шариковый двухрядный радиально-упорный 3208 (CRAFT, CX, CYSD, ISO, KOYO)
Подшипник для корпуса YET 208 (SKF)
Подшипник шариковый радиальный однорядный с односторонним уплотнением 3160208
Подшипник шариковый радиальный однорядный с двухсторонним уплотнением 3180208
Подшипник шариковый двухрядный радиально-упорный 3208 BTNG (SKF)
Подшипник шариковый двухрядный радиально-упорный 3208 BTNGC3 (SKF)