Главная > Подшипники> Шариковые> Радиально-упорные>5206N

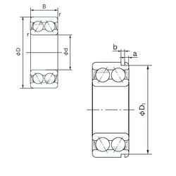
5206N — Радиально-упорный шарикоподшипник, импортное производство по ISO стандарту, размер 30x62x23 номер основного исполнения 5206.
Производитель: NACHI.
N = Канавка под стопорное кольцо в наружном кольце
Цена от:802 р.
Цена на подшипник зависит от:
| Обозначение | Модификация |
|---|---|
| 5206Z | Металлический экран с одной стороны. |
| 5206S | S = смазочный паз и три отверстия в наружном кольце подшипника. |
| 5206A | A = внутренняя модификация конструкции. |
| S5206 | |
| 5206K | К = Коническая посадка, конусность 1:12. |
| 5206W | W = Без кольцевой канавки и смазочных отверстий в наружном кольце. |
| 5206WD | W = Без кольцевой канавки и смазочных отверстий в наружном кольце. |
| 5206ZZ | ZZ = Два металлических экрана. |
| 5206WG | W = Без кольцевой канавки и смазочных отверстий в наружном кольце. |
| 5206AN | A = внутренняя модификация конструкции. |
| 5206KG | К = Коническая посадка, конусность 1:12. |
| 5206S9 | S = смазочный паз и три отверстия в наружном кольце подшипника. |
| 5206NS | S = смазочный паз и три отверстия в наружном кольце подшипника. |
| 5206AZ | A Z = A = Модификация внутренней стороны. Z = слой (щит) из прессованной листовой стали на одной стороне подшипника. |
| 5206NR | Стопорное кольцо и проточка под него в наружном кольце подшипника. |
| 5206V19 | V = Увеличенная грузоподъемность, внутренняя модификация конструкции. |
| 5206ANR | Стопорное кольцо и проточка под него в наружном кольце подшипника. |
| 5206ANS | S = смазочный паз и три отверстия в наружном кольце подшипника. |
| 5206AZZ | A = внутренняя модификация конструкции. ZZ = Закрыт с двух сторон металлическими шайбами. |
| 5206-2NS | S = смазочный паз и три отверстия в наружном кольце подшипника. |
| 5206SCZZ | ZZ = Два металлических экрана. |
| 5206-2RS | Резиновые уплотнения с каждой стороны подшипника. |
| 5206ZZG15 | G15 = Формованная литьевая клетка из армированного стекловолокном полиамида 6,6, с вращающимся элементом по центру. |
| 5206A-2NS | S = смазочный паз и три отверстия в наружном кольце подшипника. |
| 5206SCLLM | LL (Сегментное уплотнение, код 2RU) = Лабиринтные уплотнения на обеих сторонах (Уплотнение L = типа = все части уплотнения L = типа покрыты цинком на всех сторонах для улучшения защиты от коррозии = без трения уплотнения). |
| S5206-2RS | Резиновые уплотнения с каждой стороны подшипника. |
| 5206SCLLD | LL (Сегментное уплотнение, код 2RU) = Лабиринтные уплотнения на обеих сторонах (Уплотнение L = типа = все части уплотнения L = типа покрыты цинком на всех сторонах для улучшения защиты от коррозии = без трения уплотнения). |
| 5206-2RS C3 | 2RS = Резиновые пыле-влагозащитные уплотнения с каждой стороны подшипника. C3 = Внутренний Зазор Больше Обычного. |
| 5206NRZZG15 | G15 = Формованная литьевая клетка из армированного стекловолокном полиамида 6,6, с вращающимся элементом по центру. |
| 5206EEG15EE | E = Увеличенная грузоподъемность. G15 = Формованная литьевая клетка из армированного стекловолокном полиамида 6,6, с вращающимся элементом по центру. |
| 5206NSR1LTSH2CD3 | С = Необслуживаемые концы стержней, внутренняя резьба. |
Габаритные размеры
Размеры и геометрические характеристики
Нагрузка и ресурс
Защита
Присоединительные размеры
Конструкция и исполнение
Другие размеры
Подшипник шариковый двухрядный радиально-упорный 5-206 (AST, CYSD, FBJ, KOYO, NACHI)
Подшипник шариковый двухрядный радиально-упорный 3206 (CRAFT, CX, CYSD, ISO, KOYO)
Подшипник шариковый из нержавеющей стали W 6206 (CYSD, SKF)
Подшипник для корпуса YET 206 (SKF)
Подшипник шариковый радиальный однорядный с односторонним уплотнением 3160206
Подшипник шариковый радиальный однорядный с двухсторонним уплотнением 3180206