Главная > Подшипники> Шариковые> Радиально-упорные>5205ZZ

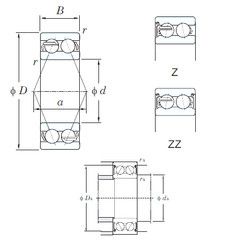
5205ZZ — Подшипник шариковый двухрядный радиально-упорный, импортное производство по ISO стандарту, размер 25x52x20 номер основного исполнения 5205.
Производится брендами: CYSD, FBJ, KOYO, NACHI.
ZZ = Два металлических экрана.
Цена от:534 р.
Цена на подшипник зависит от:
| Обозначение | Модификация |
|---|---|
| 5205 | Основное конструктивное исполнение. |
| S5205 | |
| 5205A | A = внутренняя модификация конструкции. |
| 5205N | N = Канавка под стопорное кольцо в наружном кольце |
| 5205K | К = Коническая посадка, конусность 1:12. |
| 5205S | S = смазочный паз и три отверстия в наружном кольце подшипника. |
| 5205Z | Металлический экран с одной стороны. |
| 5205AN | A = внутренняя модификация конструкции. |
| 5205AZ | A Z = A = Модификация внутренней стороны. Z = слой (щит) из прессованной листовой стали на одной стороне подшипника. |
| 5205KG | К = Коническая посадка, конусность 1:12. |
| 5205KD | К = Коническая посадка, конусность 1:12. |
| 5205NS | S = смазочный паз и три отверстия в наружном кольце подшипника. |
| 5205NR | Стопорное кольцо и проточка под него в наружном кольце подшипника. |
| 5205ANS | S = смазочный паз и три отверстия в наружном кольце подшипника. |
| 5205AZZ | A = внутренняя модификация конструкции. ZZ = Закрыт с двух сторон металлическими шайбами. |
| 5205ANR | Стопорное кольцо и проточка под него в наружном кольце подшипника. |
| 5205-2NS | S = смазочный паз и три отверстия в наружном кольце подшипника. |
| 5205-2RS | Резиновые уплотнения с каждой стороны подшипника. |
| 5205SCZZ | ZZ = Два металлических экрана. |
| 5205SCLLD | LL (Сегментное уплотнение, код 2RU) = Лабиринтные уплотнения на обеих сторонах (Уплотнение L = типа = все части уплотнения L = типа покрыты цинком на всех сторонах для улучшения защиты от коррозии = без трения уплотнения). |
| S5205-2RS | Резиновые уплотнения с каждой стороны подшипника. |
| 5205A-2NS | S = смазочный паз и три отверстия в наружном кольце подшипника. |
| 5205K PRB | К = Коническая посадка, конусность 1:12. |
| 5205SCLLM | LL (Сегментное уплотнение, код 2RU) = Лабиринтные уплотнения на обеих сторонах (Уплотнение L = типа = все части уплотнения L = типа покрыты цинком на всех сторонах для улучшения защиты от коррозии = без трения уплотнения). |
| 5205ZZG15 | G15 = Формованная литьевая клетка из армированного стекловолокном полиамида 6,6, с вращающимся элементом по центру. |
| 5205-2RS C3 | 2RS = Резиновые пыле-влагозащитные уплотнения с каждой стороны подшипника. C3 = Внутренний Зазор Больше Обычного. |
| 5205EEG15EE | E = Увеличенная грузоподъемность. G15 = Формованная литьевая клетка из армированного стекловолокном полиамида 6,6, с вращающимся элементом по центру. |
| 5205NRZZG15 | G15 = Формованная литьевая клетка из армированного стекловолокном полиамида 6,6, с вращающимся элементом по центру. |
| 5205NREEG15 | E = Увеличенная грузоподъемность. G15 = Формованная литьевая клетка из армированного стекловолокном полиамида 6,6, с вращающимся элементом по центру. |
Габаритные размеры
Размеры и геометрические характеристики
Нагрузка и ресурс
Защита
Присоединительные размеры
Конструкция и исполнение
Подшипник шариковый двухрядный радиально-упорный 3205 (CRAFT, CX, CYSD, ISO, KOYO)
Подшипник шариковый из нержавеющей стали W 6205 (CYSD, SKF)
Подшипник шариковый радиально-упорный двухрядный 3056205
Подшипник шариковый радиально-упорный 3756205
Подшипник шариковый двухрядный радиально-упорный 3205 A (ISB, SKF)
Подшипник шариковый радиальный однорядный с двухсторонним уплотнением 3180205