Главная > Подшипники> Шариковые> Радиально-упорные>5202N

5202N — Радиально-упорный шарикоподшипник, импортное производство по ISO стандарту, размер 15x35x15 номер основного исполнения 5202.
Производитель: NACHI.
N = Канавка под стопорное кольцо в наружном кольце
Цена от:474 р.
Цена на подшипник зависит от:
| Обозначение | Модификация |
|---|---|
| 5202K | К = Коническая посадка, конусность 1:12. |
| 5202A | A = внутренняя модификация конструкции. |
| 5202Z | 2Z = Металлические шайбы с каждой стороны подшипника. |
| 5202S | S = смазочный паз и три отверстия в наружном кольце подшипника. |
| 5202ZZ | 2Z = Металлические шайбы с каждой стороны подшипника. |
| 5202NR | Стопорное кольцо и проточка под него в наружном кольце подшипника. |
| 5202AZ | A Z = A = Модификация внутренней стороны. Z = слой (щит) из прессованной листовой стали на одной стороне подшипника. |
| 5202AN | A = внутренняя модификация конструкции. |
| 5202NS | S = смазочный паз и три отверстия в наружном кольце подшипника. |
| 5202ANS | S = смазочный паз и три отверстия в наружном кольце подшипника. |
| 5202AZZ | A = внутренняя модификация конструкции. ZZ = Закрыт с двух сторон металлическими шайбами. |
| 5202ANR | Стопорное кольцо и проточка под него в наружном кольце подшипника. |
| 5202-2NS | S = смазочный паз и три отверстия в наружном кольце подшипника. |
| 5202-2RS | Резиновые уплотнения с каждой стороны подшипника. |
| 5202SCZZ | ZZ = Два металлических экрана. |
| 5202ZZG15 | G15 = Формованная литьевая клетка из армированного стекловолокном полиамида 6,6, с вращающимся элементом по центру. |
| 5202SCLLD | LL (Сегментное уплотнение, код 2RU) = Лабиринтные уплотнения на обеих сторонах (Уплотнение L = типа = все части уплотнения L = типа покрыты цинком на всех сторонах для улучшения защиты от коррозии = без трения уплотнения). |
| 5202SCLLM | LL (Сегментное уплотнение, код 2RU) = Лабиринтные уплотнения на обеих сторонах (Уплотнение L = типа = все части уплотнения L = типа покрыты цинком на всех сторонах для улучшения защиты от коррозии = без трения уплотнения). |
| 5202A-2NS | S = смазочный паз и три отверстия в наружном кольце подшипника. |
| 5202K PRB | К = Коническая посадка, конусность 1:12. |
| 5202EEG15 | E = Увеличенная грузоподъемность. G15 = Формованная литьевая клетка из армированного стекловолокном полиамида 6,6, с вращающимся элементом по центру. |
| 5202NRZZG15 | G15 = Формованная литьевая клетка из армированного стекловолокном полиамида 6,6, с вращающимся элементом по центру. |
| 5202-2RS C3 | 2RS = Резиновые пыле-влагозащитные уплотнения с каждой стороны подшипника. C3 = Внутренний Зазор Больше Обычного. |
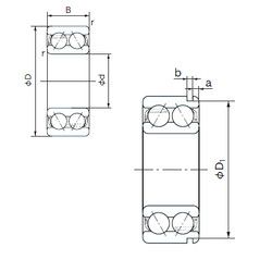
Габаритные размеры
Размеры и геометрические характеристики
Нагрузка и ресурс
Защита
Присоединительные размеры
Конструкция и исполнение
Другие размеры
Подшипник шариковый двухрядный радиально-упорный 5-202 (AST, FBJ, NACHI, NSK)
Подшипник шариковый двухрядный радиально-упорный 3202 (CX, CYSD, ISO, KOYO, SIGMA)
Подшипник шариковый из нержавеющей стали W 6202 (CYSD, SKF)
Подшипник шариковый радиальный однорядный с односторонним уплотнением 3160202
Подшипник шариковый радиальный однорядный с двухсторонним уплотнением 3180202
Подшипник шариковый радиальный однорядный с двухсторонним уплотнением 75-3180202 ЕС1 (ГПЗ-4)