Главная > Подшипники> Шариковые> Радиально-упорные>5201-2RS

5201-2RS — Подшипник шариковый двухрядный радиально-упорный, импортное производство по ISO стандарту, размер 12x32x15 номер основного исполнения 5201.
Производится брендами: AST, FBJ.
Резиновые уплотнения с каждой стороны подшипника.
Цена от:515 р.
Цена на подшипник зависит от:
| Обозначение | Модификация |
|---|---|
| 5201 | Основное конструктивное исполнение. |
| 5201S | S = смазочный паз и три отверстия в наружном кольце подшипника. |
| 5201A | A = внутренняя модификация конструкции. |
| 5201N | N = Канавка под стопорное кольцо в наружном кольце |
| 5201Z | Металлический экран с одной стороны. |
| 5201K | К = Коническая посадка, конусность 1:12. |
| 5201ZZ | ZZ = Два металлических экрана. |
| 5201NR | Стопорное кольцо и проточка под него в наружном кольце подшипника. |
| 5201AN | A = внутренняя модификация конструкции. |
| 5201KD | К = Коническая посадка, конусность 1:12. |
| 5201AZ | A Z = A = Модификация внутренней стороны. Z = слой (щит) из прессованной листовой стали на одной стороне подшипника. |
| 5201NS | S = смазочный паз и три отверстия в наружном кольце подшипника. |
| 5201ANS | S = смазочный паз и три отверстия в наружном кольце подшипника. |
| 5201AZZ | A = внутренняя модификация конструкции. ZZ = Закрыт с двух сторон металлическими шайбами. |
| 5201KDD | DD = резиновые уплотнения на каждой стороне подшипника. |
| 5201ANR | Стопорное кольцо и проточка под него в наружном кольце подшипника. |
| 5201SCZZ | ZZ = Два металлических экрана. |
| 5201-2NS | S = смазочный паз и три отверстия в наружном кольце подшипника. |
| 5201K PRB | К = Коническая посадка, конусность 1:12. |
| 5201SCLLD | LL (Сегментное уплотнение, код 2RU) = Лабиринтные уплотнения на обеих сторонах (Уплотнение L = типа = все части уплотнения L = типа покрыты цинком на всех сторонах для улучшения защиты от коррозии = без трения уплотнения). |
| 5201ZZG15 | G15 = Формованная литьевая клетка из армированного стекловолокном полиамида 6,6, с вращающимся элементом по центру. |
| 5201EEG15 | E = Увеличенная грузоподъемность. G15 = Формованная литьевая клетка из армированного стекловолокном полиамида 6,6, с вращающимся элементом по центру. |
| 5201SCLLM | LL (Сегментное уплотнение, код 2RU) = Лабиринтные уплотнения на обеих сторонах (Уплотнение L = типа = все части уплотнения L = типа покрыты цинком на всех сторонах для улучшения защиты от коррозии = без трения уплотнения). |
| 5201A-2NS | S = смазочный паз и три отверстия в наружном кольце подшипника. |
| 5201-2RS C3 | 2RS = Резиновые пыле-влагозащитные уплотнения с каждой стороны подшипника. C3 = Внутренний Зазор Больше Обычного. |
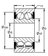
Габаритные размеры
Размеры и геометрические характеристики
Нагрузка и ресурс
Защита
Присоединительные размеры
Конструкция и исполнение
Прочие характеристики
Подшипник шариковый двухрядный радиально-упорный 3201 (CX, CYSD, ISO, KOYO, SIGMA)
Опорный ролик NATV12 PP (INA)
Подшипник шариковый радиально-упорный двухрядный 3056201 (ГПЗ-23)
Подшипник шариковый радиально-упорный 3056201 К (ГПЗ-23)
Подшипник шариковый радиально-упорный 5-3086201 Д (ГПЗ-4)
Подшипник шариковый из нержавеющей стали W 6201 (CYSD, SKF)