Главная > Подшипники> Шариковые> Радиально-упорные>5200ZZ

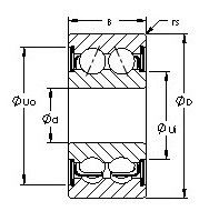
5200ZZ — Подшипник шариковый двухрядный радиально-упорный, импортное производство по ISO стандарту, размер 10x30x14 номер основного исполнения 5200.
Производится брендами: AST, FBJ, NACHI.
ZZ = Два металлических экрана.
Цена от:515 р.
Цена на подшипник зависит от:
| Обозначение | Модификация |
|---|---|
| 5200 | Основное конструктивное исполнение. |
| 5200A | A = внутренняя модификация конструкции. |
| 5200N | N = Канавка под стопорное кольцо в наружном кольце |
| 5200K | К = Коническая посадка, конусность 1:12. |
| 5200Z | Металлический экран с одной стороны. |
| 5200S | S = смазочный паз и три отверстия в наружном кольце подшипника. |
| 5200AN | A = внутренняя модификация конструкции. |
| 5200NR | Стопорное кольцо и проточка под него в наружном кольце подшипника. |
| 5200NS | S = смазочный паз и три отверстия в наружном кольце подшипника. |
| 5200AZ | A Z = A = Модификация внутренней стороны. Z = слой (щит) из прессованной листовой стали на одной стороне подшипника. |
| 5200AZZ | A = внутренняя модификация конструкции. ZZ = Закрыт с двух сторон металлическими шайбами. |
| 5200ANR | Стопорное кольцо и проточка под него в наружном кольце подшипника. |
| 5200ANS | S = смазочный паз и три отверстия в наружном кольце подшипника. |
| 5200KDD2 | DD = резиновые уплотнения на каждой стороне подшипника. |
| 5200-2NS | S = смазочный паз и три отверстия в наружном кольце подшипника. |
| 5200SCZZ | ZZ = Два металлических экрана. |
| 5200-2RS | Резиновые уплотнения с каждой стороны подшипника. |
| 5200K PRB | К = Коническая посадка, конусность 1:12. |
| 5200SCLLM | LL (Сегментное уплотнение, код 2RU) = Лабиринтные уплотнения на обеих сторонах (Уплотнение L = типа = все части уплотнения L = типа покрыты цинком на всех сторонах для улучшения защиты от коррозии = без трения уплотнения). |
| 5200A-2NS | S = смазочный паз и три отверстия в наружном кольце подшипника. |
| 5200SCLLD | LL (Сегментное уплотнение, код 2RU) = Лабиринтные уплотнения на обеих сторонах (Уплотнение L = типа = все части уплотнения L = типа покрыты цинком на всех сторонах для улучшения защиты от коррозии = без трения уплотнения). |
| 5200-2RS C3 | 2RS = Резиновые пыле-влагозащитные уплотнения с каждой стороны подшипника. C3 = Внутренний Зазор Больше Обычного. |
Габаритные размеры
Размеры и геометрические характеристики
Нагрузка и ресурс
Защита
Присоединительные размеры
Конструкция и исполнение
Прочие характеристики
Подшипник однорядный шариковый радиальный 62200 (IBC, NIS)
Подшипник шариковый двухрядный радиально-упорный 3200 (CX, CYSD, FAG, ISO, KOYO)
Подшипник шариковый радиально-упорный 256500 (ГПЗ-1)
Подшипник шариковый радиальный сферический двухрядный с цилиндрическим отверстием внутреннего кольца 1500 (ГПЗ-2)