Главная > Подшипники> Шариковые> Упорные>51413-MP

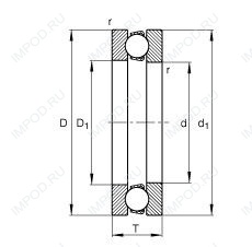
51413-MP — Подшипник шариковый упорный однонаправленный, импортное производство по ISO стандарту, размер 65x140x56 номер основного исполнения 51413.
Производитель: FAG.
P = Литой сепаратор из стеклонаполненного полиамида 6,6, центрируемый по телам качения.
Цена от:11 526 р.
Цена на подшипник зависит от:
Габаритные размеры
Размеры и геометрические характеристики
Нагрузка и ресурс
Присоединительные размеры
Подшипник упорный шариковый одинарный 8413
Подшипник упорный шариковый одинарный 8413 Л (ГПЗ-1)
Подшипник упорный шариковый одинарный 8413Н
Сферический роликоподшипник BS2-2313-2CS/VT143 (SKF)