Главная > Подшипники> Шариковые> Упорные>51336-MP

51336-MP — Подшипник шариковый упорный однонаправленный, импортное производство по ISO стандарту, размер 180x300x95 номер основного исполнения 51336.
Производитель: FAG.
P = Литой сепаратор из стеклонаполненного полиамида 6,6, центрируемый по телам качения.
Цена по запросу
Цена на подшипник зависит от:
Габаритные размеры
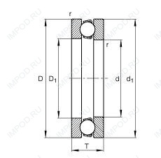
Размеры и геометрические характеристики
Нагрузка и ресурс
Присоединительные размеры
Подшипник упорный шариковый одинарный 8336
Подшипник упорный шариковый одинарный 6-8336 Л (ГПЗ-1)
Подшипник упорный шариковый одинарный 8336 Л (ГПЗ-1)
Подшипник упорный шариковый одинарный 8336Н
Подшипник упорный шариковый одинарный 8336 АЛ