Главная > Подшипники> Шариковые> Упорные>51334-MP

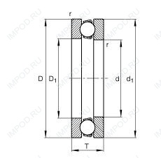
51334-MP — Подшипник шариковый упорный однонаправленный, импортное производство по ISO стандарту, размер 170x280x87 номер основного исполнения 51334.
Производитель: FAG.
P = Литой сепаратор из стеклонаполненного полиамида 6,6, центрируемый по телам качения.
Цена от:58 083 р.
Цена на подшипник зависит от:
Габаритные размеры
Размеры и геометрические характеристики
Нагрузка и ресурс
Присоединительные размеры