Главная > Подшипники> Шариковые> Упорные>51272-MP

51272-MP — Подшипник шариковый упорный однонаправленный, импортное производство по ISO стандарту, размер 360x500x110 номер основного исполнения 51272.
Производитель: FAG.
P = Литой сепаратор из стеклонаполненного полиамида 6,6, центрируемый по телам качения.
Цена от:54 450 р.
Цена на подшипник зависит от:
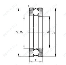
Габаритные размеры
Размеры и геометрические характеристики
Нагрузка и ресурс
Присоединительные размеры
Подшипник упорный шариковый одинарный 8272
Подшипник упорный шариковый одинарный 6-8272 Г (ГПЗ-1)
Подшипник упорный шариковый одинарный 8272 Г
Подшипник упорный шариковый одинарный 8272Н
Подшипник упорный шариковый одинарный 8272 Г1 (ГПЗ-1)
Подшипник упорный с цилиндрическими роликами одинарный однорядный 9272