Главная > Подшипники> Шариковые> Упорные>51264-MP

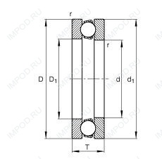
51264-MP — Подшипник шариковый упорный, импортное производство по ISO стандарту, размер 320x440x95 номер основного исполнения 51264.
Производитель: FAG.
P = Литой сепаратор из стеклонаполненного полиамида 6,6, центрируемый по телам качения.
Цена по запросу
Цена на подшипник зависит от:
Габаритные размеры
Размеры и геометрические характеристики
Нагрузка и ресурс
Присоединительные размеры
Подшипник упорный шариковый одинарный 8264
Подшипник упорный шариковый одинарный 8264Н
Подшипник упорный с цилиндрическими роликами одинарный однорядный 9264
Упорный роликоподшипник 320TMP12 (NSK)
Роликовый цилиндрический упорный подшипник 81264M (SKF)