Главная > Подшипники> Шариковые> Упорные>51252-MP

51252-MP — Подшипник шариковый упорный, импортное производство по ISO стандарту, размер 260x360x79 номер основного исполнения 51252.
Производитель: FAG.
P = Литой сепаратор из стеклонаполненного полиамида 6,6, центрируемый по телам качения.
Цена от:76 359 р.
Цена на подшипник зависит от:
| Обозначение | Модификация |
|---|---|
| 51252 | Основное конструктивное исполнение. |
| 51252M | M = массивный латунный сепаратор. |
| 51252X | X = Внешние размеры, соответствующие международным стандартам. |
| 51252 M (ISO) | S = смазочный паз и три отверстия в наружном кольце подшипника. |
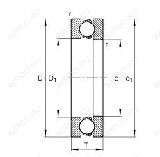
Габаритные размеры
Размеры и геометрические характеристики
Нагрузка и ресурс
Присоединительные размеры
Подшипник роликовый упорный 81252 (CX, INA, ISO, NIS)
Подшипник упорный шариковый одинарный 8252Н
Подшипник упорный шариковый одинарный 8252
Подшипник упорный с цилиндрическими роликами одинарный однорядный 9252
Упорный роликоподшипник 260TMP12 (NSK)
Упорный роликоподшипник 81252-MB (NKE)