Главная > Подшипники> Шариковые> Упорные>51201V/HR11T1

51201V/HR11T1 — Осевой радиальный шарикоподшипник, импортное производство по ISO стандарту, размер 12x28x11 номер основного исполнения 51201.
Производитель: SKF.
T = Механически обработанный сепаратор из текстолита, центрируемый по телам качения.
Цена от:368 р.
Цена на подшипник зависит от:
| Обозначение | Модификация |
|---|---|
| 51201 | Основное конструктивное исполнение. |
| 51201J | J = Сепаратор стальной штампованный незакалённый. |
| S51201 | |
| 51201V/HR22Q2 | Q = тихий ход работы подшипника. |
| 51201 V/HR11Q1 | Q = тихий ход работы подшипника. |
| 51201 V/HR22T2 | R = Наружное кольцо с фланцем . |
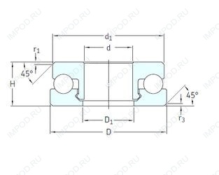
Габаритные размеры
Размеры и геометрические характеристики
Нагрузка и ресурс
Защита
Присоединительные размеры
Конструкция и исполнение
Подшипник упорный шариковый одинарный 8201
Подшипник шариковый радиально-упорный 96701
Подшипник упорный шариковый одинарный со свободным самоустанавливающимся кольцом без подкладного кольца 28201
Подшипник упорный шариковый одинарный 8201Н
Радиальный шарикоподшипник U001+ER (NACHI)
Подшипник шариковый упорный однонаправленный 53201 (CX, FAG, ISO, KOYO, NACHI)