Главная > Подшипники> Шариковые> Упорные>511/630-FP

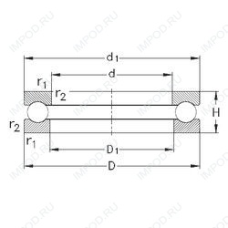
511/630-FP — Осевой радиальный шарикоподшипник, импортное производство по ISO стандарту, размер 630x750x95 номер основного исполнения .
Производитель: NKE.
P = Литой сепаратор из стеклонаполненного полиамида 6,6, центрируемый по телам качения.
Цена по запросу
Цена на подшипник зависит от:
Габаритные размеры
Размеры и геометрические характеристики
Нагрузка и ресурс
Защита
Конструкция и исполнение
Подшипник шариковый упорный однонаправленный 511/630 M (ISB)
Осевой радиальный шарикоподшипник 511/630 (NTN)