Главная > Подшипники> Шариковые> Упорные>511/600F

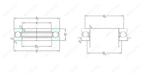
511/600F — Подшипник шариковый упорный однонаправленный, импортное производство по ISO стандарту, размер 600x710x85 номер основного исполнения .
Производитель: SKF.
Механически обработанный сепаратор из стали или чугуна, центрируемый по телам качения.
Цена по запросу
Цена на подшипник зависит от:
Габаритные размеры
Размеры и геометрические характеристики
Нагрузка и ресурс
Защита
Присоединительные размеры
Конструкция и исполнение
Подшипник упорный с цилиндрическими роликами одинарный однорядный 91/600
Подшипник шариковый упорный однонаправленный 511/600 (CX, ISO, KOYO)
Осевой радиальный шарикоподшипник 511/600-FP (NKE)
Подшипник шариковый упорный 511/600 M (ISB)
Цилиндрический роликовый упорный подшипник 811/600M (SKF)