Главная > Подшипники> Шариковые> Упорные>511/560-FP

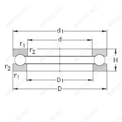
511/560-FP — Осевой радиальный шарикоподшипник, импортное производство по ISO стандарту, размер 560x670x85 номер основного исполнения .
Производитель: NKE.
P = Литой сепаратор из стеклонаполненного полиамида 6,6, центрируемый по телам качения.
Цена по запросу
Цена на подшипник зависит от:
Габаритные размеры
Размеры и геометрические характеристики
Нагрузка и ресурс
Защита
Конструкция и исполнение
Подшипник упорный с цилиндрическими роликами одинарный однорядный 91/560
Подшипник шариковый упорный 511/560 (CX, ISO, KOYO, NTN)
Подшипник шариковый упорный однонаправленный 511/560-MP (FAG)
Подшипник шариковый упорный 511/560 M (ISB)
Подшипник шариковый упорный однонаправленный 511/560F (SKF)
Цилиндрический роликовый упорный подшипник 811/560M (SKF)