Главная > Подшипники> Шариковые> Упорные>511/500-MP

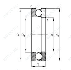
511/500-MP — Подшипник шариковый упорный однонаправленный, импортное производство по ISO стандарту, размер 500x600x80 номер основного исполнения .
Производитель: FAG.
P = Литой сепаратор из стеклонаполненного полиамида 6,6, центрируемый по телам качения.
Цена по запросу
Цена на подшипник зависит от:
Габаритные размеры
Размеры и геометрические характеристики
Нагрузка и ресурс
Защита
Присоединительные размеры
Конструкция и исполнение
Подшипник упорный шариковый одинарный 6-81/500 Г (ГПЗ-1)
Подшипник упорный шариковый одинарный 81/500Н
Подшипник упорный с цилиндрическими роликами одинарный однорядный 91/500
Подшипник шариковый упорный 511/ 500 (CX, ISO, KOYO, NTN)
Подшипник шариковый упорный 511/500 M (ISB)
Осевой радиальный шарикоподшипник 511/500-FP (NKE)