Главная > Подшипники> Шариковые> Радиально-упорные>50TBH10DB

50TBH10DB — Радиально-упорный шарикоподшипник, импортное производство по ISO стандарту, размер 50x80x14 номер основного исполнения .
Производитель: NACHI.
D = профиль наружного кольца, усовершенствованный, с увеличенной зоной несущей нагрузки и оптимизированными краевыми переходами.
Цена по запросу
Цена на подшипник зависит от:
Габаритные размеры
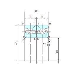
Размеры и геометрические характеристики
Нагрузка и ресурс
Защита
Конструкция и исполнение
Радиально-упорный шарикоподшипник 50TAH10DB (NACHI)
Радиально-упорный шарикоподшипник 50BAR10S (NSK)
Радиально-упорный шарикоподшипник 50BTR10H (NSK)
Радиально-упорный шарикоподшипник 50BAR10H (NSK)
Радиально-упорный шарикоподшипник 50BTR10S (NSK)
Радиально-упорный шарикоподшипник HTA010DB (NTN)