Главная > Подшипники> Шариковые> Радиальные>50416

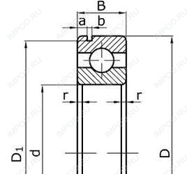
50416 — Подшипник шариковый радиальный однорядный с канавкой на наружном кольце, отечественное производство по ГОСТ стандарту, размер 80x200x48 основное исполнение.
Производитель: ГПЗ-23.
Цена по запросу
Цена на подшипник зависит от:
| Обозначение | Модификация |
|---|---|
| 50416 А | А = Подшипник повышенной грузоподьемности. ГОСТ |
| 70-50416 А | А = Подшипник повышенной грузоподьемности. ГОСТ |
Габаритные размеры
Размеры и геометрические характеристики
Подшипник однорядный шариковый радиальный 6-416 (CRAFT, CX, ISB, ISO, KOYO)
Подшипник роликовый радиальный с короткими цилиндрическими роликами с безбортовым наружным кольцом и двумя запорными шайбами 102416
Подшипник шариковый радиально-упорный однорядный неразъемный со скосом на наружном кольце 46416
Подшипник однорядный шариковый радиальный 6416 C3 (NKE)
Подшипник однорядный шариковый радиальный 6416 M.C3 (NKE)