Главная > Подшипники> Шариковые> Радиальные>50410 А

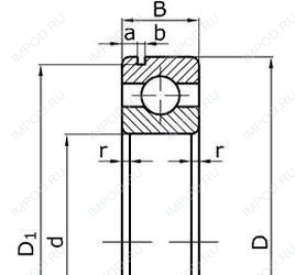
50410 А — Подшипник шариковый радиальный однорядный с канавкой на наружном кольце, отечественное производство по ГОСТ стандарту, размер 50x130x31 номер основного исполнения 50410.
А = Подшипник повышенной грузоподьемности. ГОСТ
Цена по запросу
Цена на подшипник зависит от:
| Обозначение | Модификация |
|---|---|
| 50410 | Основное конструктивное исполнение. |
| 50410 У | У = Дополнительные требование к обработки деталей (Покрытия, радиальному и осевому зазору и т.д.). |
| 50410 АУ | А = Увеличенная грузоподемность подшипника. У = Дополнительные требование к обработки деталей (Покрытия, радиальному и осевому зазору и т.д.). |
| Техника | Модель | Агрегат |
|---|---|---|
| ЗИЛ | 133ВЯ | Задний мост |
| ЗИЛ | 133ГЯ | Задний мост |
| ЗИЛ | 133Г1 | Задний мост |
| ЗИЛ | 131МВ | Коробка переключения передач |
| ЗИЛ | 131М | Коробка переключения передач |
| ЗИЛ | 133ВЯ | Мост средний |
| ЗИЛ | 133ГЯ | Мост средний |
| ЗИЛ | 133Г1 | Мост средний |
Габаритные размеры
Размеры и геометрические характеристики
Подшипник шариковый однорядный радиально-упорный 7410 (FAG, KOYO, NTN)
Подшипник шариковый радиальный 6-410 (ГПЗ-11)
Однорядный цилиндрический роликовый подшипник NJ410 (CRAFT, CX, CYSD, FAG, FBJ)
Подшипник шариковый радиальный однорядный 410
Подшипник роликовый радиальный с короткими цилиндрическими роликами без бортов на внутреннем кольце 32410
Подшипник шариковый радиально-упорный однорядный неразъемный со скосом на наружном кольце 66410