Главная > Подшипники> Шариковые> Радиальные сферические>50317

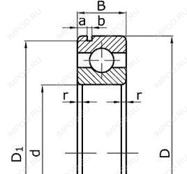
50317 — Подшипник шариковый радиальный однорядный с канавкой на наружном кольце, отечественное производство по ГОСТ стандарту, размер 85x180x41 основное исполнение.
Цена по запросу
Цена на подшипник зависит от:
| Обозначение | Модификация |
|---|---|
| 5-50317 Л | Л = Латунный сепаратор. |
Габаритные размеры
Размеры и геометрические характеристики
Подшипник шариковый радиальный 6-317
Однорядный цилиндрический роликовый подшипник NJ317 (CRAFT, FAG, FBJ, ISB, ISO)
Подшипник роликовый сферический 20317 (FAG, ISO)
Подшипник роликовый сферический 21317 (ISB, NTN, SKF)
Подшипник шариковый двухрядный самоустанавливающийся 1317 (CRAFT, CX, FAG, ISB, ISO)
Подшипник роликовый радиальный с короткими цилиндрическими роликами без бортов на наружном кольце 2317 (ГПЗ-4)