Главная > Подшипники> Шариковые> Радиальные сферические>50316 К5

50316 К5 — Подшипник шариковый радиальный однорядный с канавкой на наружном кольце, отечественное производство по ГОСТ стандарту, размер 80x170x39 номер основного исполнения 50316.
Производитель: ГПЗ-23.
К5 = Конструктивное изменение зависящее от типа подшипника.
Цена по запросу
Цена на подшипник зависит от:
| Обозначение | Модификация |
|---|---|
| 50316 | Основное конструктивное исполнение. |
| 50316 АК5 | А = Увеличенная грузоподемность подшипника. К5 = Конструктивное изменение зависящее от типа подшипника. |
| 70-50316 К5 | К5 = Конструктивное изменение зависящее от типа подшипника. |
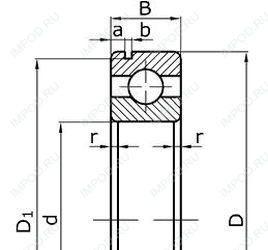
Габаритные размеры
Размеры и геометрические характеристики
Подшипник шариковый радиально-упорный 7-316 (ГПЗ-4)
Подшипник шариковый радиальный 6-316 (ГПЗ-4)
Однорядный цилиндрический роликовый подшипник NJ316 (CRAFT, FBJ, ISB, ISO, KOYO)
Подшипник роликовый радиально-упорный 32316 (ГПЗ-4)
Подшипник роликовый сферический 20316 (FAG, ISO)
Подшипник роликовый сферический 21316 (ISB, NTN, SKF)