Главная > Подшипники> Шариковые> Радиальные сферические>50314 А

50314 А — Подшипник шариковый радиальный однорядный с канавкой на наружном кольце, отечественное производство по ГОСТ стандарту, размер 70x150x35 номер основного исполнения 50314.
А = Подшипник повышенной грузоподьемности. ГОСТ
Цена по запросу
Цена на подшипник зависит от:
| Техника | Модель | Агрегат |
|---|---|---|
| МоАЗ | 6507 | Картер гибкой муфты |
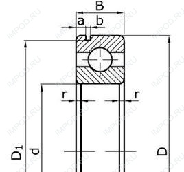
Габаритные размеры
Размеры и геометрические характеристики
Подшипник шариковый радиальный 6-314 (ГПЗ-3)
Однорядный цилиндрический роликовый подшипник NJ314 (CRAFT, FAG, FBJ, ISB, ISO)
Однорядный цилиндрический роликовый подшипник NU314 (CRAFT, FAG, FBJ, ISB, ISO)
Подшипник роликовый сферический 20314 (FAG, ISO)
Подшипник роликовый сферический 21314 (ISB, NTN, SKF)
Подшипник шариковый радиальный сферический двухрядный с цилиндрическим отверстием внутреннего кольца 1314 (ГПЗ-8)