Главная > Подшипники> Шариковые> Радиальные сферические>50312 АК2

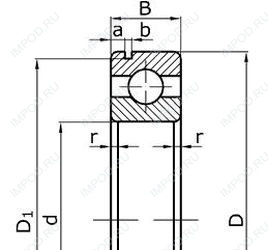
50312 АК2 — Подшипник шариковый радиальный однорядный с канавкой на наружном кольце, отечественное производство по ГОСТ стандарту, размер 60x110x22 номер основного исполнения 50312.
А = Увеличенная грузоподемность подшипника. К2 = Конструктивное изменение зависящее от типа подшипника.
Цена по запросу
Цена на подшипник зависит от:
Габаритные размеры
Размеры и геометрические характеристики
Однорядный цилиндрический роликовый подшипник NJ212 (CRAFT, FBJ, ISB, ISO, KOYO)
Однорядный цилиндрический роликовый подшипник NU212 (CRAFT, FBJ, ISB, ISO, KOYO)
Подшипник шариковый радиальный 6-212
Подшипник шариковый радиальный 4-212 (ГПЗ-3)
Подшипник роликовый сферический 20212 (FAG, ISO)