Главная > Подшипники> Шариковые> Радиальные сферические>50304

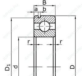
50304 — Подшипник шариковый радиальный однорядный с канавкой на наружном кольце, отечественное производство по ГОСТ стандарту, размер 20x52x15 основное исполнение.
Цена по запросу
Цена на подшипник зависит от:
Габаритные размеры
Размеры и геометрические характеристики
Однорядный цилиндрический роликовый подшипник NU304 (FBJ, IBC, ISB, ISO, KOYO)
Однорядный цилиндрический роликовый подшипник NJ304 (FAG, FBJ, ISB, ISO, KOYO)
Подшипник шариковый радиальный 6-304 (ГПЗ-2)
Подшипник роликовый радиальный самоцентрирующийся 20-304 (ISO, SIGMA)
Подшипник шариковый радиальный сферический двухрядный с цилиндрическим отверстием внутреннего кольца 1304
Подшипник шариковый радиальный однорядный 304