Главная > Подшипники> Шариковые> Радиальные сферические>50303

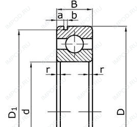
50303 — Подшипник шариковый радиальный однорядный с канавкой на наружном кольце, отечественное производство по ГОСТ стандарту, размер 17x47x14 основное исполнение.
Цена по запросу
Цена на подшипник зависит от:
Габаритные размеры
Размеры и геометрические характеристики
Подшипник шариковый радиально-упорный 7-303 (ГПЗ-4)
Однорядный цилиндрический роликовый подшипник NU303 (CYSD, ISB, ISO, NIS, NKE)
Однорядный цилиндрический роликовый подшипник NJ303 (CYSD, FAG, ISB, ISO, NIS)
Подшипник шариковый радиальный 6-303 (ГПЗ-23)
Подшипник роликовый упорный 4-303 (ГПЗ-4)
Подшипник шариковый радиальный сферический двухрядный с цилиндрическим отверстием внутреннего кольца 1303