Главная > Подшипники> Шариковые> Радиальные сферические>50302

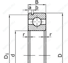
50302 — Подшипник шариковый радиальный однорядный с канавкой на наружном кольце, отечественное производство по ГОСТ стандарту, размер 15x42x13 основное исполнение.
Производитель: ГПЗ-23.
Цена по запросу
Цена на подшипник зависит от:
Габаритные размеры
Размеры и геометрические характеристики
Подшипник шариковый однорядный радиально-упорный 7302 (CYSD, FAG, KOYO, NACHI, NTN)
Подшипник шариковый радиальный 6-302 (ГПЗ-2)
Подшипник шариковый радиальный сферический двухрядный с цилиндрическим отверстием внутреннего кольца 1302 (ГПЗ-2)
Подшипник шариковый радиальный однорядный с двухсторонним уплотнением 180302
Подшипник шариковый радиальный однорядный 302
Подшипник шариковый радиально-упорный однорядный неразъемный со скосом на наружном кольце 36302