Главная > Подшипники> Шариковые> Радиальные сферические>50300

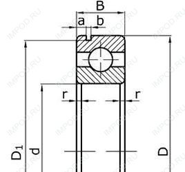
50300 — Подшипник шариковый радиальный однорядный с канавкой на наружном кольце, отечественное производство по ГОСТ стандарту, размер 10x35x11 основное исполнение.
Цена по запросу
Цена на подшипник зависит от:
Габаритные размеры
Размеры и геометрические характеристики
Подшипник шариковый однорядный радиально-упорный 7300 (CYSD, KOYO, NACHI, NSK, NTN)
Подшипник однорядный шариковый радиальный 6-300 (AST, CRAFT, CX, CYSD, FAG)
Подшипник однорядный шариковый радиальный 63000 (NIS, SKF)
Подшипник шариковый радиальный сферический двухрядный с цилиндрическим отверстием внутреннего кольца 1300 (ГПЗ-8)
Подшипник шариковый однорядный радиально-упорный 7300 BW (NSK)
Подшипник однорядный шариковый радиальный 6300 2RS.C3 (FAG, PFI)