Главная > Подшипники> Шариковые> Радиальные сферические>50222

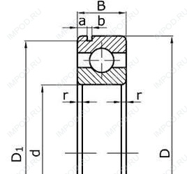
50222 — Подшипник шариковый радиальный однорядный с канавкой на наружном кольце, отечественное производство по ГОСТ стандарту, размер 110x200x38 основное исполнение.
Цена по запросу
Цена на подшипник зависит от:
Габаритные размеры
Размеры и геометрические характеристики
Однорядный цилиндрический роликовый подшипник NJ222 (CRAFT, FAG, ISB, ISO, KOYO)
Однорядный цилиндрический роликовый подшипник NU222 (CRAFT, FAG, ISB, ISO, KOYO)
Подшипник роликовый сферический 20222 (FAG, ISO)
Подшипник шариковый двухрядный самоустанавливающийся 1222 (AST, CX, FAG, ISB, ISO)
Подшипник шариковый радиальный сферический двухрядный с коническим отверстием внутреннего кольца 111222 (ГПЗ-1)