Главная > Подшипники> Шариковые> Радиальные сферические>50216 К1

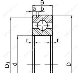
50216 К1 — Подшипник шариковый радиальный однорядный с канавкой на наружном кольце, отечественное производство по ГОСТ стандарту, размер 80x140x26 номер основного исполнения 50216.
К1 = Конструктивное изменение зависящее от типа подшипника.
Цена по запросу
Цена на подшипник зависит от:
Габаритные размеры
Размеры и геометрические характеристики
Однорядный цилиндрический роликовый подшипник NJ216 (CRAFT, FAG, FBJ, ISB, ISO)
Однорядный цилиндрический роликовый подшипник NU216 (CRAFT, FBJ, IBC, ISB, ISO)
Подшипник шариковый радиальный 6-216 (ГПЗ-3)
Подшипник роликовый радиально-упорный 32216 (ГПЗ-4)
Подшипник шариковый радиальный 4-216 (ГПЗ-3)