Главная > Подшипники> Шариковые> Радиальные сферические>50205

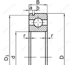
50205 — Подшипник шариковый радиальный однорядный с канавкой на наружном кольце, отечественное производство по ГОСТ стандарту, размер 25x52x15 основное исполнение.
Цена по запросу
Цена на подшипник зависит от:
| Обозначение | Модификация |
|---|---|
| 50205 К | К = Конструктивное изменение зависящее от типа подшипника. |
| 50205 АК | А = Увеличенная грузоподемность подшипника. К = Конструктивное изменение зависящее от типа подшипника. |
| 50205 АЕ | А = Увеличенная грузоподъемность подшипника. Е = Сепаратор из пластического материала (Текстолит, полиамид и т.д.). |
| 50205AE5У | A = внутренняя модификация конструкции. |
| 50205 A2E | A = внутренняя модификация конструкции. |
| 6-50205 ЕУ | E = Угол контакта 25 градусов. У = Дополнительные требование к обработки деталей (Покрытия, радиальному и осевому зазору и т.д.). |
| 6-50205 АЕУШ1 | А = Увеличенная грузоподемность подшипника. Е = Сепаратор из пластического материала (Текстолит, полиамид и т.д.). У = Дополнительные требование к обработки деталей (Покрытия, радиальному и осевому зазору и т.д.) Ш1 = Пониженые уровни вибрации и шума. |
Габаритные размеры
Размеры и геометрические характеристики
Однорядный цилиндрический роликовый подшипник NJ205 (CRAFT, FAG, FBJ, ISB, ISO)
Однорядный цилиндрический роликовый подшипник NU205 (CRAFT, FBJ, IBC, ISB, ISO)
Подшипник шариковый радиальный 6-205
Подшипник шариковый радиальный 4-205 (ГПЗ-4)
Подшипник роликовый сферический 20205 (FAG, ISO, SIGMA)