Главная > Подшипники> Шариковые> Радиальные сферические>50202

50202 — Подшипник шариковый радиальный однорядный с канавкой на наружном кольце, отечественное производство по ГОСТ стандарту, размер 15x35x11 основное исполнение.
Цена по запросу
Цена на подшипник зависит от:
| Обозначение | Модификация |
|---|---|
| 50202 А | А = Подшипник повышенной грузоподьемности. ГОСТ |
| 50202 АК | А = Увеличенная грузоподемность подшипника. К = Конструктивное изменение зависящее от типа подшипника. |
| 50202 АЕ | А = Увеличенная грузоподъемность подшипника. Е = Сепаратор из пластического материала (Текстолит, полиамид и т.д.). |
| Техника | Модель | Агрегат |
|---|---|---|
| Трактор | К-701 | Двигатель/регулятор частоты вращения |
| Трамвайный вагон | Т-2 | Таходинамо |
| Трамвайный вагон | Т-3 | Таходинамо |
| Трамвайный вагон | Т-2 | Ускоритель |
| Трамвайный вагон | Т-3 | Ускоритель |
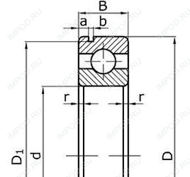
Габаритные размеры
Размеры и геометрические характеристики
Однорядный цилиндрический роликовый подшипник NJ202 (CYSD, FAG, ISB, ISO, NIS)
Однорядный цилиндрический роликовый подшипник NU202 (CYSD, ISB, ISO, NIS, NKE)
Подшипник шариковый радиальный 6-202
Подшипник шариковый радиальный сферический двухрядный с цилиндрическим отверстием внутреннего кольца 5-1202 (ГПЗ-2)
Подшипник шариковый радиальный двухрядный 4-202