Главная > Подшипники> Шариковые> Упорные>502

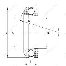
502 — Подшипник шариковый упорный, импортное производство по ISO стандарту, размер 15x35x20 основное исполнение.
Производитель: INA.
Цена по запросу
Цена на подшипник зависит от:
Габаритные размеры
Размеры и геометрические характеристики
Нагрузка и ресурс
Прочие характеристики
Роликовый игольчатый подшипник NKIS15 (CX, INA, ISO, NBS, NIS)
Роликовый игольчатый подшипник NKIS15-XL (INA)
Подшипник шариковый двухрядный радиально-упорный BA2B440114AE (SKF)
Радиально-упорный шарикоподшипник DF0213LLU/L623 (NTN)
Радиально-упорный шарикоподшипник DF0213LLUA/LX03Q3 (NTN)
Радиально-упорный шарикоподшипник DF0213LLU/2AS (NTN)