Главная > Подшипники> Шариковые> Радиальные сферические>50116

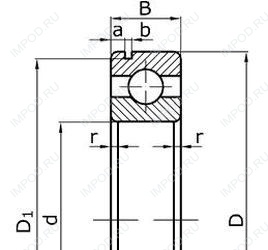
50116 — Подшипник шариковый радиальный однорядный с канавкой на наружном кольце, отечественное производство по ГОСТ стандарту, размер 80x125x22 основное исполнение.
Производитель: ГПЗ-23.
Цена по запросу
Цена на подшипник зависит от:
Габаритные размеры
Размеры и геометрические характеристики
Подшипник однорядный шариковый радиальный 6016 (AST, CRAFT, CX, CYSD, FAG)
Подшипник шариковый однорядный радиально-упорный 7016 (CYSD, KOYO, NACHI, NTN, SKF)
Подшипник шариковый радиальный однорядный 116