Главная > Подшипники> Шариковые> Радиальные сферические>50115 АК

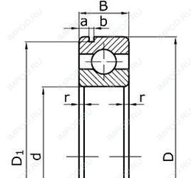
50115 АК — Подшипник шариковый радиальный однорядный с канавкой на наружном кольце, отечественное производство по ГОСТ стандарту, размер 75x115x20 номер основного исполнения 50115.
Производитель: ГПЗ-23.
А = Увеличенная грузоподемность подшипника. К = Конструктивное изменение зависящее от типа подшипника.
Цена по запросу
Цена на подшипник зависит от:
| Техника | Модель | Агрегат |
|---|---|---|
| Трактор | Т-151К с двигателем СМД-62А-63А | Муфта задняя |
| Трактор | Т-151К с двигателем СМД-62-63 | Муфта задняя |
| Трактор | Т-151К с двигателем СМД-62А-63А | Муфта передняя |
| Трактор | Т-151К с двигателем СМД-62-63 | Муфта передняя |
Габаритные размеры
Размеры и геометрические характеристики
Однорядный цилиндрический роликовый подшипник NU1015 (CX, CYSD, FBJ, ISB, ISO)
Подшипник шариковый радиально-упорный 7015 (CYSD, KOYO, NACHI, NTN, SKF)
Подшипник роликовый радиально-упорный конический однорядный 2007115
Подшипник шариковый радиальный 8115 (ГПЗ-4)