Главная > Подшипники> Шариковые> Радиальные сферические>50106

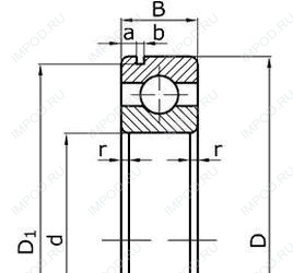
50106 — Подшипник шариковый радиальный однорядный с канавкой на наружном кольце, отечественное производство по ГОСТ стандарту, размер 30x55x13 основное исполнение.
Цена по запросу
Цена на подшипник зависит от:
Габаритные размеры
Размеры и геометрические характеристики
Подшипник шариковый радиальный однорядный с двухсторонним уплотнением 180106
Подшипник шариковый радиальный однорядный 106
Подшипник шариковый радиальный однорядный с одной защитной шайбой 60106
Подшипник шариковый радиальный однорядный с двумя защитными шайбами 80106
Подшипник шариковый радиально-упорный 746106 (ГПЗ-2)
Однорядный цилиндрический роликовый подшипник NU1006 M1 (FAG)