Главная > Подшипники> Шариковые> Радиальные сферические>50100

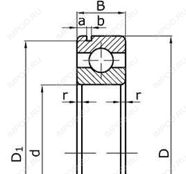
50100 — Подшипник шариковый радиальный однорядный с канавкой на наружном кольце, отечественное производство по ГОСТ стандарту, размер 10x26x8 основное исполнение.
Цена по запросу
Цена на подшипник зависит от:
Габаритные размеры
Размеры и геометрические характеристики
Подшипник шариковый однорядный радиально-упорный 7000 (CYSD, KOYO, NACHI, NTN, SKF)
Подшипник однорядный шариковый радиальный 6000 (FAG, NIS)
Подшипник шариковый радиальный однорядный с одной защитной шайбой 60100
Подшипник шариковый однорядный радиально-упорный HS7000 C.T.P4S.UL (FAG)
Подшипник шариковый однорядный радиально-упорный 7000 ACDGA.P4A (SKF)