Главная > Подшипники> Роликовые > Радиально-упорные>496D/492A+Y2S-492A

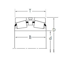
496D/492A+Y2S-492A — Конический роликоподшипник, импортное производство по ISO стандарту, размер 80x133x60 номер основного исполнения .
Производитель: TIMKEN.
D = профиль наружного кольца, усовершенствованный, с увеличенной зоной несущей нагрузки и оптимизированными краевыми переходами.
Цена от:1 518 р.
Цена на подшипник зависит от:
Габаритные размеры
Размеры и геометрические характеристики
Защита
Конструкция и исполнение