Главная > Подшипники> Роликовые > Радиально-упорные>495A/493

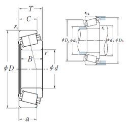
495A/493 — Однорядный конический роликовый подшипник, импортное производство по ISO стандарту, размер 76x136x30 номер основного исполнения .
Производится брендами: FBJ, Fersa, KOYO, NACHI, NIS, NSK, TIMKEN.
A = внутренняя модификация конструкции.
Цена от:1 943 р.
Цена на подшипник зависит от:
Габаритные размеры
Размеры и геометрические характеристики
Нагрузка и ресурс
Защита
Коэффициенты для расчета
Присоединительные размеры
Конструкция и исполнение
Прочие характеристики
Однорядный конический роликовый подшипник 495AX/493 (CX, FBJ, ISO, NIS, NSK)
Конический роликоподшипник 4T-495AS/493 (NTN)
Однорядный конический роликовый подшипник 4T-495AX/493 (NTN)
Конический роликоподшипник 4T-495A/493 (NTN)